RADIO RECEIVING SET HRO-600


Read W8ZR's page about the HRO-600

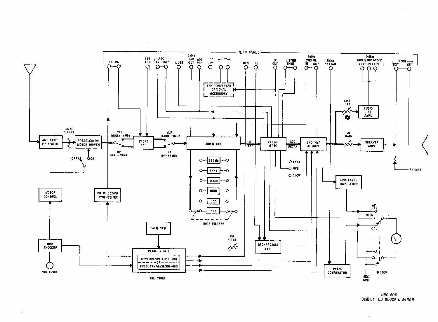
HRO-600 Block Diagram

HRO-600 FEATURES

HRO-600 SPECIFICATIONS SHEET

FREQUENCY COVERAGE: 16 kHz to 30 MHz in thirty 1-MHz bands.

RECEPTION MODES: A0, A1, A2, A3, A3a, A3j, A3h (AM, CW, MCW, SSB), Ft (FSK) with optional Type 650 FSK Converter of external audio equipment, F4 (FAX) with external audio equipment.

FREQUENCY CONTROL: By synthesis of first injection (in 1-MHz bands) and VFO continous tuning. Fixed-frequency crystal control or full synthesis options available.

FREQUENCY STABILITY WITH TYPE 601 PLUG-IN UNIT: Versus temperature--drift less than 1000 Hz from 0C to +50C. Versus time--less than +or- 20 Hz change in 15 minutes after 30-minute warm-up period. Versus line-voltage change--less than +or- 20 Hz change for +or- 15-percent line-voltage change.

FREQUENCY STABILITY WITH TYPE 602: Versus temperature from 0C to +50C--less than +or- 1 PPM. Versus time--less than 1 PPM per year.

TUNING ACCURACY: +or- 50 Hz (Type 601 Plug-In Unit; + or - 10 Hz for Type 602) after frequency standard calibration.

BFO: Tunable +or- 3 kHz for A1 mode; synthesized for SSB operation.

SENSITIVITY: 0.375/uV for 10 dB (S + N)/N ratio in 2.4 kHz bandwidth (approximately 12 dB noise figure) uV with antenna input protection circuits bypassed.

RF INPUT IMPEDANCE: 50 ohms, unblanced, or high-Z, as selected by front-panel pushbuttons.

SPURIOUS RESPONSES: Image rejection >90 dB; i-f rejection >90 dB; secondary image rejection >90 dB

AGC MERIT: Less than 10 dB output-level change for input-level change from 3uV to .05 volt.

AGC TIME CONSTANT: Selectable at front panel. FAST (100 msec decay), MED (500 msec decay), SLOW (2 sec decay). Attack time constant approximately 15 msec.

AUDIO OUTPUTS: Speaker output-1 watt at less than 10-percent distortion; Line output - 600-ohm impedance level at +or- 0 dBm, with less than 2.5-percent distortion.

AUDIO FREQUENCY RESPONSE: Flat within 3 dB from 200 Hz to 4.5 kHz.

RF SELECTIVITY: Tunable preselector.

IN-BAND INTERMODULATION: The in-band products produced by two 100 mV tones are nominally more than 40 dB down at the audio terminals at a line output level of 0 dBm.

BLOCKING: A 0.05 signal will cause less than a 3 dB drop in output, when spaced 5 kHz away from a 500/.zV desired signal.

CROSS-MODULATION: A 15 mV signal will generate a cross-modulation product, which will be more than 30 dB below the desired output of 500uV signal at a spacing of 10 kHz.

FRONT END INTERMODULATION: Any two O.05V at frequencies to produce I M products (one signal may be 30 kHz from desired frequency), will not produce an output equal to that caused by a desired 15uV signal.

PROTECTION FROM EXCESSIVE RF VOLTAGE ON ANTENNA: Withstands 15V for 15 minutes without damage.

SIZE: 51/4" (13.3 mm) H x 17" (43.2 ram) W x 151/2" (38.6 mm) D. Weight < 40 lbs. Capable of being rack mounted.

OPERATING TEMPERATURE RANGE: 0C to 50C.

HUMIDITY: To 95 percent.

SHOCK: Test Condition A of MIL-STD-202, Method 205 (15G).

VIBRATION: MIL-STD-167.

NATIONAL RADIO COMPANY, INC, 89 WASHINGTON STREET. MELROSE MASS it is the policy of National Radio Co. to continuously upgrade its products. These performance specifications are therefore subject to change without notice.

Back to the National Product Line